08年高三化学第一学期第二次月考试题
化 学 试 卷
范围:中学化学 命题人:高三化学备课组 时间: 2008-10-11
可能用到的原子量:H 1 C 12 N 14 O 16 Na 23 Mg 24 Al 27 S32 Cl 35.5 K 39 Ca 40 Mn 55 Fe 56
第Ⅰ卷(选择题,共54分)
选择题(每小题3分,每小题只有一个选项符合题意)
1.下列有关叙述正确的是( )
A.塑料袋、废纸、旧橡胶制品都属于有机物
B.空气、冰醋酸、盐酸都是混合物
C.氯化钠电离成钠离子和氯离子这一过程是化学变化
D.只含一种元素的物质是单质
2.在含有
、
、
、
的溶液中,加入足量的
固体并加热,充分反应后,再加入过量的稀盐酸,完全反应后,离子数目没有变化的是( )
A.
B.
C.
D.![]()
3.下列过程中,最终的白色沉淀不一定是BaSO4的是 ( )

4.下列中学常见实验的现象或表述正确的是 ( )
A.做温度对化学平衡影响的实验,将装有NO2与N2O4混合气体的两个玻璃球一个浸入热水,另一个浸入冷水,浸入热水的玻璃球里气体的颜色较浅
B.制备氢氧化亚铁时,向硫酸亚铁溶液中滴加氢氧化钠溶液,边加边搅拌,即可制得白色的氢氧化亚铁
C.检验红砖中的氧化铁成分,向红砖粉末中加入盐酸,充分反应后取上层清液于试管中,滴加KSCN溶液2~3滴即可
D.向CuSO4溶液中滴入过量NaOH溶液充分反应后,将混合液体倒入蒸发皿中加热煮沸一会,然后冷却、过滤,滤纸上的物质为“蓝色固体”。
5.在淀粉碘化钾溶液中加入少量次氯酸钠溶液,并加入少量的稀硫酸,溶液立即变蓝,在上述溶液中加入足量的亚硫酸钠溶液,蓝色逐渐消失。下列判断不正确的是( )
A.氧化性:ClO –>I2>SO42–
B.漂白粉溶液可使淀粉碘化钾试纸变蓝
C.向氯水中加入亚硫酸钠溶液,氯水褪色
D. 次氯酸钠可以与亚硫酸钠共存
6.阿伏加德罗常数约为6.02×1023mol-1,下列说法中一定正确的是( )
A.常温常压下,22g氧气和26g臭氧混合气体所含氧原子总数为3×6.02×1023
B.1L0.5mol/L的CH3COONa溶液中含有的CH3COO-数为0.5×6.02×1023
C.常温常压下,16g 14CH4所含中子数为8×6.02×1023
D.1 mol Cl2发生反应时,转移的电子数一定是2 NA
7.下列离子反应方程式正确的是( )
A.澄清石灰水来吸收氯气:Cl2+OH-=Cl-+ClO-+H+
B.将金属Na加入冷水中:2Na+2H2O=2Na++2OH-+H2↑
C.向稀硝酸中加入少量铁粉:3Fe+8H++2NO3-=3Fe2++2NO↑+4H2O
D.在碳酸氢钙溶液中加入少量苛性钾溶液:
Ca2++2HCO3-+2OH-=CaCO3↓+CO32-+2H2O
8.下列说法正确的是:( )
A、化学式符合XOH(X代表某一元素)的物质一定是碱
B、分子式为C6H6的物质一定是苯
C、最简单的烯烃一定是乙烯
D、含碳量最高的烃一定是乙炔
9.如图所示,集气瓶内充满某混合气体,置于光亮处,将滴管内的水挤入集气瓶后,烧杯中的水会进入集气瓶,集气瓶内气体是( )
①CO、O2; ②Cl2、CH4; ③NO2、O2;
④N2、H2;
A.①② B.②④ C.③④ D.②③
10、向一定量的Fe、FeO和Fe2O3的混合物中加入120 mL 4 mol/L的稀硝酸,恰好使混合物完全溶解,放出1.344L NO(标准状况),往所得溶液中加入KSCN溶液,无血红色出现。若用足量的氢气在加热下还原相同质量的混合物,能得到铁的物质的量为 ( )
A.0.24 mol B.0.21mol C.0.16 mol D.0.14 mol
11.短周期元素A、B、C的原子序数依次递增,它们的原子最外层电子数之和为10,A与C同主族,B原子的最外层电子数等于A原子的次外层电子数,则下列叙述正确的是( )
A.原子半径:A<B<C
B.A的氢化物稳定性小于C的氢化物稳定性
C.三种元素的最高价氧化物对应水化物均可由化合反应得到
D.高温下,A单质能置换出C单质
12.常温下,下列溶液中一定能大量共存的离子组是( )
A.含有大量S2-的溶液:ClO-、Na+、Cl-、CO32-
B.无色澄清溶液:MnO4-、SO42-、K+、Fe3+
C.能使pH试纸变红的溶液:NH4+、Na+、SO42-、Fe3+
D.水电离产生的c(H+)=1×10-12mol/L的溶液:
HCO3-、NH4+、Cl-、Ca2+
13.MnO2和Zn是制造干电池的重要原料,工业上用软锰矿和闪锌矿联合生产MnO2和Zn的基本步骤为:
⑴ 软锰矿、闪锌矿与硫酸共热: MnO2+ZnS+2H2SO4=MnSO4+ZnSO4+S+2H2O。
⑵
除去反应混合物中的不溶物
⑶ 电解混合液MnSO4+ZnSO4+2H2O MnO2+Zn+2H2SO4
下列说法不正确的是( )
A.步骤⑴中MnO2和H2SO4都是氧化剂
B.步骤⑴中每析出12.8g S沉淀共转移0.8mol电子
C.电解时MnO2在阳极处产生
D.硫酸在生产中可循环使用
14.含有2~5个碳原子的直链烷烃沸点和燃烧热的数据见下表:
| 烷烃名称 | 乙烷 | 丙烷 | 丁烷 | 戊烷 |
| 沸点(℃) | -88.6 | -42.1 | -0.5 | 36.1 |
| 燃烧热(kJ·mol-1) | 1560.7 | 2219.2 | 2877.7 | 3536.2 |
根据表中数据,下列判断错误的是( )
A.正庚烷在常温常压下肯定不是气体
B.烷烃燃烧热和其所含碳原子数成线性关系
C.随碳原子数增加,烷烃沸点逐渐升高
D.随碳原子数增加,烷烃沸点和燃烧热都成比例增加
15.某化学兴趣小组用回收的镁铝合金制取氢气。现有l0.8 g镁铝合金,下列说法正确的是( )
A.常温下与足量18mol/LH2SO4溶液反应,最多可放出0.6 mol H2
B.常温下与足量2mol/LHNO3溶液反应,最少可放出0.45 mol H2
C.常温下与足量2 mol/L H2SO4溶液反应,放出H2的物质的量在0.45 mol~0.6 mol之间
D.常温下与足量2mol/LNaOH溶液反应,放出H2的物质的量在0.45 mol~0.6 mol之间
16.某学生设计了如图的方法对A盐进行鉴定:
![]() |
由此分析,下列结论中,正确的是( )
A.A中一定有Fe3+ B.C中一定有Fe3+
C.B为AgI沉淀 D.A一定为FeBr2溶液
17.如图所示的A、B两个电解池中的电极均为铂,
在A池中加入0.05 mol / L 的CuCl2溶液,
B池中加入0.1 mol / L的AgNO3溶液,进行电解。
a、b、c、d四个电极上所析出的物质的物质的量
之比是( )
A. 2∶2∶4∶1 B. 1∶1∶2∶1
C. 2∶1∶1∶1 D. 2∶1∶2∶1
18. 某氧化物不溶于水,溶于熔化的NaOH中,生成易溶于水的化合物,向稀盐酸中滴加所生成化合物的水溶液,立即有白色沉淀产生,则原氧化物是( )
A.Al2O3 B.MgO C.SiO2 D.P2O5
第Ⅱ卷(非选择题,共46分)
19.(5分)实验室需要配制0.5mol·L-1的烧碱溶液500mL,根据溶液配制的过程,回答下列问题:
(1)实验中除了托盘天平(带砝码)、药匙、量筒和玻璃棒外,还需要的其它玻璃仪器有: ;
(2)根据计算得知,所需NaOH固体的质量为 g;
(3)配制溶液的过程中,有以下操作。其中正确的是 (填代号)。
A.将氢氧化钠固体放在纸片上称量;
B.在烧杯中溶解氢氧化钠固体后,立即将溶液倒入容量瓶中;
C.将溶解氢氧化钠的烧杯中用蒸馏水洗涤2—3次,并将洗涤液转移到容量瓶中。
(4)玻璃棒在该实验中的作用有:① 。
② 。
20.(3分)某同学取一张铝箔,并用针刺一些小孔,然后取一药匙过氧化钠粉末,用铝箔包好,放入下图所示装置倒扣的漏斗中。
|
①
② ;
(2)反应结束后,用拇指堵住试管口后将试管移出,
靠近燃着的酒精灯,松开手指,观察到的现象
是 。
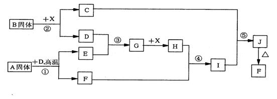
21、(9分)根据下列框图关系填空。已知反应①、③是工业生产中的重要反应,D、E常温下为气体、X常温下为无色液体,H与E相对分子质量之间的关系为:Mr(H)-Mr(E)=34,又知C的焰色反应呈黄色。

(1)化合物B中所包含的化学键有____________、______________。
(2)反应④的离子方程式:________________________________
反应⑤的化学方程式:________________________________
(3)已知每生成16gE,放出106.5kJ热量,则反应①的热化学方程式为:
_________________________
22.(6分)晶体硅是一种重要的非金属材料。制备纯硅的主要步骤如下:
①高温下用碳还原二氧化硅制得粗硅
②粗硅与干燥HCl气体反应制得SiHCl3:Si+3HCl SiHCl3+H2
③SiHCl3与过量H2在1000~1100 ℃反应制得纯硅
已知SiHCl3能与H2O强烈反应,在空气中易自燃;石英玻璃熔点2500℃,普通玻璃600℃开始熔化变软。
请回答下列问题:
(1)粗硅与HCl反应完全后,经冷凝得到的SiHCl3(沸点33.0℃)中含有少量SiCl4(沸点57.6℃)和HCl(沸点-84.7℃),提纯SiHCl3采用的方法为: 。
(2)用SiHCl3与过量H2反应制备纯硅的装置如下(热源及夹持装置略去):

①装置B中的试剂是 ,装置C中的烧瓶需要加热,其目的
是: 。
②装置D中发生反应的化学方程式为 ,
装置D不能采用普通玻璃管的原因是 。
③为保证制备纯硅实验的成功,操作的关键是检查实验装置的气密性,
控制好反应温度以及 。
23.(6分)某学校化学兴趣小组同学在两支小试管中分别加入浓度为4mol/L稀盐酸3mL,将分别装有0.3gNaHCO3和0.3gNa2CO3粉末的小气球分别套在两支试管口。将气球内的NaHCO3和Na2CO3同时倒入试管中,观察到的现象及分析如下:
(1)比较两支试管中的现象: 。
(2)若两气球内的压强相同.两试管大小相同,则大小气球体积之比约为
(填最简整数比)
(3)甲同学用手触摸试管,发现盛NaHCO3粉末的试管变冷,而盛Na2CO3的试管温度升高。由此他得出:不管其状态如何,NaHCO3和HCl反应为吸热反应,而Na2CO3和HCl反应为放热反应。甲同学写出了下列热化学方程式(其中“aq”代表水合或无限稀释的含义):
HCO3-(aq)+H+(aq)=H2O(1)+CO2(g);△H>O;
CO32-(aq)+2H+(aq)=H2O(1)+CO2(g);△H<O;
甲分析结论的方法是否科学? 。(填“是”或“否”)
(4)为研究反应是吸热还是放热,乙同学继续进行下列实验。
(每个实验平行做三次,取平均值)
| 序 号 | 试剂l | 试剂2 | 混合前温度 | 混合后最高或最低温度 |
| 1 | 35mL水 | 2.5gNaHCO3固体 | 20℃ | 18.5℃ |
| 2 | 35mL水 | 3.2gNa2CO3固体 | 20℃ | 24.3℃ |
| 3 | 35mL稀盐酸 | 含2.5g NaHCO3 的饱和溶液32.5ml | 20℃ | 19℃ |
| 4 | 35mL稀盐酸 | 含3.2g Na2CO3的饱和溶液23.1mL+10mL水 | 20℃ | 24.2℃ |
| 5 | 35mL稀盐酸 | 2.5g NaHCO3固体 | 20℃ | 16.2℃ |
| 6 | 35mL稀盐酸 | 3.2gNa2CO3固体 | 20℃ | 25.1℃ |
请你帮助填写相关内容:
通过上述实验可得出五条结论:
a.NaHCO3的溶解是 (“吸热”或“放热”)过程;
b.Na2CO3的溶解是 (“吸热”或“放热”)过程;
c.NaHCO3的饱和溶液和盐酸的反应是 (”吸热”或“放热”)反应;
d.Na2CO3的饱和溶液和盐酸的反应是 (“吸热”或“放热”)反应;
e.NaHCO3固体与稀盐酸反应的反应热是 (填a→d的字母)的热效应之和。
24. (7分)锶(Sr)位于元素周期表的第5周期ⅡA族。碳酸锶大量用于生产彩色电视显像管的荧光屏玻璃。工业上常以天青石(主要成分为硫酸锶,含不溶性杂质)为原料,采用以下两种方法制取碳酸锶,进而制得多种锶的化合物。
方法一:将天青石粉碎后在1000℃~1200℃时与碳在还原气氛中反应制得硫化锶。向硫化锶溶液中通人CO2得到碳酸锶。
方法二:将天青石粉末与碳酸钠溶液的混合物在90℃时加热l~2 h,经过滤、洗涤,得到碳酸锶。
(1)方法一将天青石粉碎的目的是__________________ 。
写出用碳还原天青石反应的化学方程式:________________________。
(2)方法二的反应能够发生,说明______________ 。
为了使该反应充分进行,还可以采取的措施是__________。
(3)两种方法中得到的碳酸锶纯度较高的是_______________(填“方法一”或“方法二”),理由是_____________________________________。
(4)下列关于锶及其化合物的叙述中,正确的是___________。
A.离子半径:Ba2+>Sr2+>Ca2+ >Be2+
B.碱性:Ba(OH)2>Sr(OH)2>Ca(OH)2
C.SrCO3高温分解可以制取SrO
D.SrCO3与HNO3溶液反应可制取Sr(NO3)2
25.(10分)2005年诺贝尔化学奖授予了三位科学家,以表彰他们在烯烃复分解反应研究方面所取得的成绩。已知烯烃的交叉复分解反应机理为双键断裂,换位连接。如:
CH2=CHR1+CH2=CHR2
CH2=CH2+R1CH=CHR2
|
②F是油脂水解产物之一,能与水任意比互溶;K是一种塑料;I的分子式为C9H14O6


请回答下列问题:
(1)C4H8属于烯烃的同分异构体有 种;
(2)分子式为C4H8的所有烯烃通过烯烃复分解反应后生成的C5H10有 种结构
(3)请写出物质I的结构简式: ;
(4)写出下列反应方程式:C→D:
(5)K中的链节是 ;K属于 (线型、体型)结构。
化 学 试 卷
答 题 卡
请将选择题答案填入下表:(每题3分,共54分)
| 题号 | 1 | 2 | 3 | 4 | 5 | 6 | 7 | 8 | 9 |
| 答案 | |||||||||
| 题号 | 10 | 11 | 12 | 13 | 14 | 15 | 16 | 17 | 18 |
| 答案 |
| 19.(5分) (1)_____________________ (2)____________ (3)____________ (4)①__________________②____________________ 20.(3分) (1)①__________________________ ②______________________________ (2)___________________________________ 21.(9分) (1)____________、_____________ (2)反应④的离子方程式:_______________________________________ 反应⑤的化学方程式:__________________________________________ (3)反应①的热化学方程式为:_______________________________________ 22. (6分) (1) 。 (2)① , 。 ② , 。③ 。 23.(6分) (1) . (2) . (3) 。 (4)a、_______; b、_______;c、______;d、______;e、_________. 24. (7分) (1)_____________________________________________________; ____________________________________________________。 (2)___________________________________________;_____________。 (3)______________, _________________________________________。 (4)__________________。 25.(10分) (1)__________种 (2)______________种 (3)___________________ (4)_____________________________________________________ (5)________________________, _______________
|
化 学 试 卷 参 考 答 案
选择题答案:ACCCD, ABCDB,DCADC,BAC
19.(1)500mL的容量瓶、烧杯、胶头滴管 (2)10 (3)C
(4)①搅拌,加速氢氧化钠固体的溶解 ②引流液体
20.(1)①2Na2O2+2H2O 4Na++4OH-+O2↑
②2A1+2OH-+2H2O 2AlO2-+3H2↑
(2)听到尖锐的暴鸣声
21.(1)离子键、非极性键(或共价键)
(2)Fe203+6H+=2Fe3++3H20, Fe2(S04)3+6NaOH =2Fe(OH)3↓+3Na2S04
(3)FeS2(s)+
02=
Fe2O3 (s) +2SO2(g); △H=-852kJ/mol
22. (1)分馏(或蒸馏)(2)①浓硫酸 ;使滴入烧瓶中的 SiHCl3 气化 ,从而与H2充分混合
②SiHCl3+H2 Si+3HCl,在1000—1100℃时普通玻璃管会软化
③排尽装置中的空气
23.(1)两支试管中都产生大量气泡,但盛NaHCO3的试管中反应速率要快得多
(2)53/42 (3)不正确
(4) a、吸热(0.5分) b、放热(0.5分) c、吸热 (0.5分)d、.放热(0.5分) e、a c(1分)。
24.(1)增大反应物接触面积,提高反应速率,提高原料的利用率

25.
(1)3(2分);(2)2 (2分) (3)
(2分);(4)CH3CH=CH2+Cl2eq \o(\s\up 2(500℃————→Cl-CH2CH=CH2+HCl(2分,方程式要求全对才给分);
(5)
,线型; (各1分共2分)
化 学 试 卷 参 考 答 案
选择题答案:ACCCD, ABCDB,DCADC,BAC
19.(1)500mL的容量瓶、烧杯、胶头滴管 (2)10 (3)C
(4)①搅拌,加速氢氧化钠固体的溶解 ②引流液体
20.(1)①2Na2O2+2H2O 4Na++4OH-+O2↑
②2A1+2OH-+2H2O 2AlO2-+3H2↑
(2)听到尖锐的暴鸣声
21.(1)离子键、非极性键(或共价键)
(2)Fe203+6H+=2Fe3++3H20, Fe2(S04)3+6NaOH =2Fe(OH)3↓+3Na2S04
(3)FeS2(s)+
02=
Fe2O3 (s) +2SO2(g); △H=-852kJ/mol
22. (1)分馏(或蒸馏)(2)①浓硫酸 ;使滴入烧瓶中的 SiHCl3 气化 ,从而与H2充分混合
②SiHCl3+H2 Si+3HCl,在1000—1100℃时普通玻璃管会软化
③排尽装置中的空气
23.(1)两支试管中都产生大量气泡,但盛NaHCO3的试管中反应速率要快得多
(2)53/42 (3)不正确
(4) a、吸热(0.5分) b、放热(0.5分) c、吸热 (0.5分)d、.放热(0.5分) e、a c(1分)。
24.(1)增大反应物接触面积,提高反应速率,提高原料的利用率

25.
(1)3(2分);(2)2 (2分) (3)
(2分);(4)CH3CH=CH2+Cl2eq \o(\s\up 2(500℃————→Cl-CH2CH=CH2+HCl(2分,方程式要求全对才给分);
(5)
,线型; (各1分共2分)

