高三年级月考理综试题2
本试卷分第一部分(选择题)和第二部分(非选择题)
满分300分,考试时间150分钟。
第一部分(选择题 126分)
相对原子质量:H—1 C—12 O—16 Na—23
选择题一(本题包括18小题,每题6分,共108分。每小题只有一个选项符合题意)
1、右图是一个陆生生态系统食物网的结构模式图。下列各项叙述中,不正确的是( )
 A.此生态系统中的生产者种类不止一个
B.辛从食物链甲→丙→乙→丁→辛获得的能量最少
C.一般情况下,若丙种群数量下降10%,辛种群数量不会发生明显变化
D.既存在竞争关系又有捕食关系的只有丁和辛
2、水稻根尖分生区细胞在分裂后期有4个染色体组,每组有12条染色体,那么水稻的初级卵母细胞、极核、胚轴细胞和胚乳细胞中染色体数目分别依次是( )
A、48、24、48、96 B、24、24、48、72
C、24、12、24、36 D、24、12、24、48
3、下图表示几种含氮物质之间相互转化的关系,依据此图的叙述,错误的是( )

A.不能独立进行⑧过程的生物,其遗传物质是RNA
B.人体内⑥过程在肝细胞中进行
C.能进行①过程的生物,其基因的非编码区碱基序列的改变也属于基因突变
D.能进行②过程的生物,其新陈代谢的类型是异养厌氧型
4、甲品系的小鼠和乙品系的小鼠的皮肤同时移植于A小鼠身上。不久,甲品系小鼠的皮肤在A身上生长良好,乙品系小鼠的皮肤在A上肿胀潮红,最终死亡脱落。此时,将所用乙品系小鼠的皮肤再取一小块,第二次移植到A小鼠身上。移植的皮肤比第一次更快地脱落死亡。下列对第二次植皮后出现的现象解释合理的是( )
A、抗体具有特异性结合抗原的功能
B、特异性免疫细胞具有记忆功能
C、乙品系小鼠的皮肤属于抗原
D、乙品系和A小鼠的亲缘关系较远
5、科研人员测得一多肽链片段为“—甲硫氨酸—脯氨酸—苏氨酸—甘氨酸—缬氨酸—”其密码子分别为:甲硫氨酸(AUG)、脯氨酸(CCU、CCC、CCA)、苏氨酸(ACU、ACC、ACA)、甘氨酸(GGU、GGA、GGG)、缬氨酸(GUU、GUC、GUA、GUG)。控制该多肽链合成的相应DNA片段为( )

根据以上材料,下列叙述正确的是( )
A.该DNA片段中含有外显子和内含子
B.在基因工程中,限制酶作用于①处,DNA连接酶作用于②处
 C.该DNA片段转录的模板是
链
D.若该DNA片段最右侧碱基对T//A被G//C不会引起性状的改变
6、韩国首尔大学教授将水置于一个足够强的电场中,在
时,水分子瞬间凝固形成了“暖冰”。下列关于“暖冰”的说法不正确的是(  )
A.“暖冰”也是水分子间通过氢键结合而成的固体
 B.水凝固形成
时的“暖冰”所发生的变化是化学变化
 C.水凝固形成
时的“暖冰”所发生的变化是物理变化
D.在电场作用下,水分子间更易形成氢键,因而可以制得“暖冰”。
7、2006年8月28日上午,我国首条纤维乙醇生产线——河南天冠集团3000吨级纤维乙醇项目,在镇平开发区开工奠基。这一项目打破了过去单纯以粮食类原料生产乙醇的历史,使利用秸秆类纤维原料生产乙醇成为现实。下列有关说法中不正确的是( )
A.乙醇能部分替代汽油作车用燃料是因为乙醇与汽油组成元素相同,化学成分相似。
B.用这种纤维乙醇部分替代成品油,有助于缓解日益增长的成品油需求
C.这一项目不仅使秸秆类废物得到科学利用,而且能为国家节约大量粮食
D.掺入10%燃料乙醇的乙醇汽油可以使汽车尾气中一氧化碳排放量下降
8、下列依据热化学方程式得出的结论正确的是( )
 A.已知C(石墨, s)=C(金刚石, s); ![]()
则金刚石比石墨稳定。
B.已知![]()
 
;![]()
  则![]()
 C.已知
;![]()
   则氢气的燃烧热为
。
 D.已知
;![]()
则含20gNaOH的稀溶液与稀盐酸完全中和,放出28.65kJ的热量
9、用盐酸、氨水和苛性钠溶液中的任何一种试剂,均可鉴别的一组物质是( )
 A、
和
两种晶体  
B、
和
两种溶液
 C、
和   
两种溶液   D、
和
两种溶液
10、将甲和乙气体同时通入过量丙溶液中,充分反应后一定产生沉淀的组合是( )
|   序号  |    甲  |    乙  |    丙  |  
|   ①  |    HCl  |    CO2  |    Ca(OH)2  |  
|   ②  |    CO2  |    SO2  |    Ba(NO3)2  |  
|   ③  |    NO2  |    SO2  |    BaCl2  |  
|   ④  |    CO2  |    NH3  |    CaCl2  |  
A、①② B、①③④ C、①②③ D、①②③④
11、下列说法正确的是( )
 A.室温下,某溶液中由水电离出的
,则此溶液可能是稀盐酸
 B.等体积、等物质的量浓度的
和
溶液中,阴离子总数相等
 C.![]()
和![]()
两溶液相比,前者溶液中
大
D.中和等体积、等物质的量浓度的两种一元酸消耗等浓度NaOH溶液的体积相同
12、在一定容积的密闭容器中,加入2 L X(g)和3 L Y(g),发生如下反应:
  
;
,
达到平衡后,测得X和Y的转化率分别为a%和b%,已知
,则n值为(  )
A、1 B、2 C、3 D、4
13、固体氧化物燃料电池(SOFC)以固体氧化物为电解质,其工作原理如下图所示;

下列关于该燃料电池的有关说法,正确的是( )
A.固体氧化物的作用是让电子在电池内通过
 B.电极b为电池负极,电极反应式为:![]()
 C.若
作为燃料气,则接触面上发生的反应为:![]()
 D.若
作为燃料气,则接触面上发生的反应为:![]()
14、下列说法中正确的是( )
 A.一群氢原子处于
的激发态向较低能级跃迁,最多可放出两种频率的光子;
B.裂变过程中有质量亏损,聚变过程中也有质量亏损;
C.根据爱因斯坦质能方程,发生质量亏损时,亏损的质量转化成了能量;
 D.
粒子散射实验揭示了原子的可能能量状态是不连续的
15、在2006年2月26号闭幕的都灵冬奥会上,张丹和张昊一起以完美表演赢得了双人滑比赛的银牌。在滑冰表演刚开始时他们静止不动,随着优美的音乐响起后在相互猛推一下后分别向相反方向运动,滑行一段距离后停下来,此过程中张丹在冰上滑行的距离比张昊远(假定两人的冰刀与冰面间的动摩擦因数相同,两人在运动过程中可视为质点),这是由于( )
A.在刚分开时,张丹的初速度大于张昊的初速度;
B.在分开后,张丹的加速度大于张昊的加速度;
C.在推的过程中,张丹推张昊的力小于张昊推张丹的力;
D.在推的过程中,张丹推张昊的时间小于张昊推张丹的时间。
16、假如一作匀速圆周运动的人造地球卫星的轨道半径增大到原来的2倍,仍作匀速圆周运动,则( )
 A.根据公式
,可知卫星运动的线速度将增大到原来的2倍;
 B.根据公式
,可知卫星所需的向心力将减少到原来的
;
 C.根据公式
,可知卫星的向心加速度将减小到原来的
;
 D.根据公式
,可知卫星运动的周期将增大到原来的2倍。
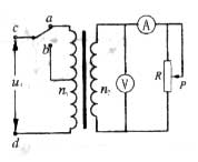
17、如图所示,理想变压器原、副线圈的匝数比为10:1,b是原线圈的中心抽头,交流电压表和交流电流表均为理想电表,从某时刻开始在原线圈c、d两端加上交变电压,其瞬时值表达式为
,则(  )
 A.当单刀双掷开关与
连接时,电压表的示数为
;
 B.当
时,
、
间的电压瞬时值为220V;
 C.单刀双掷开关与
连结,在滑动变阻器触头P向上移动的过程中,电压表和电流表的示数均变小;
 D.当单刀双掷开关由
扳向
时,电压表和电流表的示数均变小。
18、如图所示,整个装置处于静止状态,A、B两球由一根跨过定滑轮的轻绳相连接,A为一带孔小球,穿在光滑固定的竖直杆OD上,且   A球与斜面不接触,B与斜面的接触面光滑,C处滑轮摩擦不计,C、B之间的绳与竖直方向成
角,C、A之间的绳与斜面平行,斜面倾角
为
,则A、B两球的质量比为(  )
 A、
  
B、1   C、
  
D、![]()
选择题二(本题包括3小题,每小题给出的四个选项中,至少有两个选项是正确的)
19、如图所示为一束白光照射到放置在空气中的玻璃三棱镜发生色散的光路示意图,
、
为其中两处折射出的单色光,以下说法中正确的是(  )
 A.
光光子能量小于
光光子能量;
 B.在玻璃中
光的传播速度小于
光的传播速度;
 C.用同一双缝干涉装置看到的
光干涉条纹间距比
光的宽;
 D.如果
光能使某种金属发生光电效应,则
光也一定能使该金属发生光电效应。
20、如图甲所示,小球在内壁光滑的固定半圆形轨道最低点附近做小角度振动,其振动图像如图乙所示,以下说法正确的是( )
   
 A.
时刻小球的速度为最大值,轨道对小球的支持力最大;
 B.
时刻小球的速度为0,轨道对小球的支持力为0;
 C.
时刻小球的加速度为0,轨道对小球的支持力最小;
 D.
时刻小球的加速度不等于0,轨道对小球的支持力最小。
21、如图所示,两光滑平行的金属导轨所在的平面与水平面成
角,导轨上端通过电阻R连接,磁感应强度为B的匀强磁场垂直穿过导轨平面。现使质量为
的金属杆
,以一定的初速度
从金属导轨的底端向上滑行,但金属杆上行到某一位置后又返回下行,(不计导轨和金属杆
的电阻)则上行和下行回到底端的过程中( 
)
A.上行时间大于下行时间;
B.上行过程中电阻R上产生的热量比下行时的热量大;
C.上行过程通过电阻R的电量跟下行时的电量相等;
 D.上行过程导体杆
受到的磁场力的冲量的大小跟下行时的冲量不相等。
第二部分(非选择题 174分)
22、(18分)
⑴(10分)用一测力计水平拉一根一端固定的轻弹簧,以此来测定此弹簧的劲度系数
,测出的拉力F与弹簧长度L之间的数据如下表所示:
|   F/N  |    1.10  |    1.50  |    2.00  |    3.00  |    3.50  |    3.80  |    4.00  |  
|   L/m  |    22.00  |    22.35  |    22.70  |    23.31  |    23.65  |    23.80  |    24.00  |  
①请按表中数据在下图坐标系中描点并作出弹簧的F—L图线;
②图线与L轴的交点表示 ,其值为 cm;
③此弹簧的劲度系数为 N/m
⑵(8分)某同学在测定一厚度均匀的圆柱形玻璃的折射率时,先在白纸上作一与玻璃圆柱同半径的圆,圆心为O,将玻璃圆柱平放在白纸上,使其边界与所画的圆重合.在玻璃一侧竖直插两枚大头针
和
,在另一侧再先后插两枚大头针
和
,使从另一侧隔着玻璃观察时,大头针
、
和
、
的像恰好在一条直线上。移去玻璃圆柱和大头针后,在白纸上得到玻璃圆柱和大头针的位置如图所示,请你在图中画出:
①沿
、
连线方向的入射光线通过圆柱形玻璃并射到空气的光路图;
②该同学没有量角器,只有三角板和刻度尺,请根据这些器材在光路图上画出有关辅助线,标明符号,并用这些符号写出折射率的表达式
    。
23、(16分)为了测量小木板和斜面间的动摩擦因数,某同学设计如图所示实验,在小木板上固定一个轻弹簧,弹簧下端吊一个光滑小球,弹簧长度方向与斜面平行,现将木板连同弹簧、小球放在斜面上,用手固定木板时,弹簧示数为
;放手后,木板沿斜面下滑,稳定后弹簧示数为
,测得斜面倾角为
,则木板与斜面间动摩擦因数为多少?(斜面体固定在地面上)
24、(18分)如图所示,在非常高的光滑、绝缘水平高台边缘,静置一个不带电的小金属块B,另有一与B完全相同的带电量为
的小金属块A以初速度
向B运动,A、B的质量均为
,A与B相碰撞后,两物块立即粘在一起,并从台上飞出。已知在高台边缘的右面空间中存在水平向左的匀强电场,场强大小
,求:
(1)A、B一起运动过程中距高台边缘的最大水平距离;
(2)从A以
开始匀速运动到A、B运动到距高台边缘最大水平距离的过程中,金属块A损失的机械能为多大?
(3)A、B运动过程的最小速度为多大?
25、(20分)如图所示,两块互相平行且水平放置的金属板长L=1.40m,间距
,两板间加有垂直纸面向里、磁感强度B=1.25T的匀强磁场,两板上加有如图乙所示的电压(板间电场可视为匀强电场)。当
时上极板带正电,此时有一带正电荷的微粒以速度
从两板中央水平射入,已知带电微粒的质量
,电量
,不计微粒的重力。(
值取3.14)求:
(1)通过计算说明微粒射入两板之间后,在前
时间内的运动状态是什么;
(2)在甲图中画出它在两板间运动的轨迹示意图;
(3)计算微粒在两板间运动的时间
是多少。

26、(14分)A、B、C、D、E、F六种元素分布在三个不同的短周期,它们的原子序数依次增大。其中B、C同周期,A与D、C与F分别同主族,F的最外层电子数比D的最外层电子数多5。又知六种元素所形成的常见单质在常温常压下有三种是气体,三种是固体。请回答下列问题:
(1)A、B两元素可以组成X、Y两种化合物,X在一定条件下可以分解成Y。B元素原子结构示意图为 ;X在生产和生活中用途广泛,如: (写出三项即可)。
(2)E是非金属元素,但能表现出金属元素的某些性质。该单质的晶体类型属于 ,请写出单质E与氢氧化钠溶液反应的离子方程式: 。
(3)在一定条件下,C单质可与Xe反应生成
和
,所得平衡混合物中各产物的物质的量分数与温度的关系如图所示。则
时平衡混合物中    (填化学式)的物质的量较多。已知存在可逆反应:
,该反应的反应热
  0(填“
”、“
”或“=”,理由是                      
。
27、(16分)已知A为酸式盐,B为某二价主族金属元素的化合物,常温常压下C、D、F、G、I均呈气态。图中反应条件(除高温外)均已略去,反应
是工业上生产J的常用方法。

(1)写出B的电子式________________。
(2)对气体G进行快速加压操作时,有明显的现象产生,该现象是__________________________。等物质的量的F和G组成的混合气体能恰好被
溶液吸收,该反应的化学方程式为_____________
_________________________________。
(3)等物质的量的A、B与少量水充分混合能恰好完全反应,该反应的化学方程式为:________________________________________。
(4)写出下列反应的离子方程式:
①在A溶液中加入M溶液:______________________________。
②在A溶液中加入过量
溶液,并加热:       
。
28、(16分)芳香族化合物
分别和浓
在一定温度下共热都只生成烃B,B的蒸气密度是同温同压下
密度的59倍,在催化剂存在下,B的一元硝化产物有三种。有关物质之间的转化关系如下:

(1)反应①属于 反应,反应②属于 反应
(2)写出下列两种物质的结构简式:
   
            
          
(3)写出下列反应的化学方程式:
③
④
(4)化合物E有多种同分异构体,其中属于酯类且苯环上有两个对位取代基的同分异构体有四种,它们的结构简式分别是:
、
、
29、(14分)乙二酸俗称草酸。某校学生为探究乙二酸的部分化学性质,进行了下述实验:
(1)向盛有少量乙二酸饱和溶液的滴入硫酸酸化的
稀溶液,振荡,观察以的现象为             
,说明乙二酸具有     
(填“氧化性”、“还原性”或“酸性”)
(2)向图甲的A试管中加入一定量的乙二醇、浓硫酸和乙二酸,用酒精灯小火均匀加热试管3~5
,在B试管中有油状液体(其分子式为
)产生,该反应的化学方程式为          
;其中B试管中饱和碳酸钠溶液的作用是 。

(3)已知:草酸在约157℃时升华,在175℃时受热分解可生成
、
和
;草酸钙是难溶于水的白色固体。该校学生设计了一套验证草酸受热分解并检验产物中有
的实验装置,如图乙所示。请回答:
①从保护环境的角度看,应增加尾气处理装置,你如何进行尾气处理? ;
②根据D试管中石灰水变浑浊的现象,能否确定草酸分解产物中有
?    (填“能”或“不能”),理由是        
。
30、(22分)a、下图为人体内部分生理过程示意图,请据图回答下列问题:

(1)在正常情况下,人体血液中C的浓度一般在 范围内保持相对稳定。
(2)人在吃饭半小时后,当血液流经肝脏后,4处血管中C的浓度比3处血管中C的浓度 ,原因是[ ] 过程加强了,此时胰岛素和胰高血糖素含量的变化是 。
(3)图示肝细胞、脑细胞、肌细胞三种细胞中 细胞含糖元极少。
(4)肺泡中的B物质进入肌细胞的线粒体中,至少穿过 层生物膜。
b、酵母菌的维生素、蛋白质含量高,可作食用、药用等,是提取核苷酸、三磷酸腺苷等多种生化产品的原料,还可用于生产维生素、氨基酸等。请根据所学知识回答:
(1)科学家将使啤酒产生丰富泡沫的LTP1基因植入啤酒酵母菌中,使其产生LTP1蛋白,酿出泡沫丰富的啤酒,具体的操作过程如下图。

图中LTP1基因与B产生的C是 ,操作中所需要的工具是 ,如何检测LTP1基因在啤酒酵母菌中能否表达?
。
(2)大麦细胞和大肠杆菌基因结构的不同点是
,相同的细胞器是 。
31、(20分)a、某池塘生态系统处于平衡状态,其氮素循环如下图所示。

请回答:
(1)该生态系统结构是                   ,功能是         
,大气中的
进入生物群落的主要途径是     
。
(2)如水体中单细胞藻类的种类较多,且数量很大,这种水体的污染物主要是 ,如开始时较短时间水体中单一种类的纤毛虫(如捕食细菌的草履虫)数量极多,这种水体的污染物是 。
(3)在热带雨林和温带混交林的两个不同生态系统中,积累在土壤中的有机物数量是 生态系统中少。
b、在植物绿色叶片中含有较多的叶绿素。人们已经知道,叶绿素的形成需要较高的温度,需要必需矿质元素。光照与叶绿素的合成有何关系呢?某校生物学习小组的同学准备对这一问题进行探究。请你选择实验室里提供的材料,帮助他们设计出最佳的实验方法步骤,预测可能的实验结果,并分别得出相应的结论。
(1)实验目的:探究光的有无对叶绿素的形成的影响。
(2)材料用品:生物实验室里的常用器材和药品,数量充足的表面消过毒的发芽率为90%以上的某植物种子等。
(3)实验步骤:
①取两个大培养皿,铺上适量的卫生纸(或滤纸),倒入适量的清水,将等量的某植物种子分别放入两个培养皿中。编号为甲、乙。
②
。
③
。
(4)可能的实验结果及相应的结论:
。